Products
17HSL hybrid linear motor
Post Date:
2014-04-23

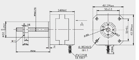
电机型号 Model Step distance mm/step Motor Length L(mm) Rate Voltage (V) Rate Current (A) Phase Resistance (Ω) Phase Inductance (mH) Holding Torque (N.m) Lead Wire (NO.) Detent Torque (kg.cm) Rotor Inertia (kg.cm2 ) Motor Weight (kg) 42BYGHL3408 0.01 34 5.4 0.8 6.7 9.5 0.25 4 0.2 0.034 0.2 42BYGHL4604 0.01 40 12 0.4 26 23 0.3 6 0.22 0.054 0.26 42BYGHL8604 0.01 48 12 0.4 30 22 0.38 6 0.28 0.068 0.36


   
Welcome

Buyer Tools
 
Seller Tools